
●General Information
The Electric Incline Shutter Valve is mating with the electric actuator. It can receive the adjusted or changed unit signal, and automatic control the gatage to finish the adjust mission. Electric Incline Shutter Valve is widely used for automatic control or control the medium flow in the pipe of the building materials, metallurgy, mining, electric power, etc.
●Characteristics
Electric Incline Shutter Valve usually adopt shutter, multiple spindle structure, assembled axle bed. It is easy to maintenance. The seal material is use the flexible graphite, the seal specific pressure is adjustable. The valve plate is flow line structure, small flow resistance, uniform flow, small moment of force of start and stop, flexible action and reliable performance.
●Work Principle
Electric Incline Shutter Valve's actuator using the crack and the connecting rod drive every axis of valve vane rotating at the same pace in order to control the gatage of the control valve and control the flow of the pipe.
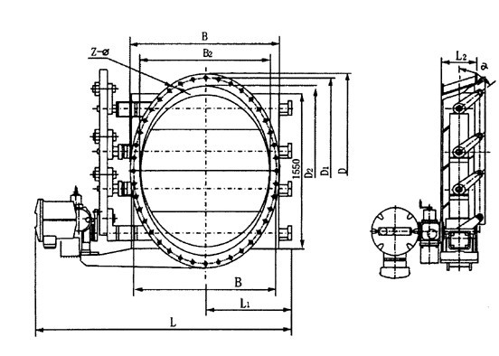
●Appearance and Size
DN | D | D12 | D2 | B | B1 | B2 | L | L1 | L2 | Z-Φ | α |
1500 | 1990 | 1931 | 1831 | 1660 | 1600 | 1500 | 2450 | 935 | 340 | 42-22 | 55 |
1800 | 2377 | 2317 | 2197 | 1980 | 1921 | 1800 | 2800 | 1100 | 340 | 44-24 | 55 |
2000 | 2621 | 2561 | 2441 | 2180 | 2120 | 2000 | 2950 | 1200 | 400 | 44-24 | 55 |
2300 | 2987 | 2927 | 2807 | 2480 | 2420 | 2300 | 3510 | 1365 | 400 | 48-24 | 55 |

